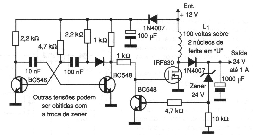
This circuit generates 24 V positive from a 12 V supply. The maximum output is 1 A and the power transistor must be equipped with a heat sink. The wire used in the inductor is 18. We found this circuit in a 2001 documentation.
This circuit generates 24 V positive from a 12 V supply. The maximum output is 1 A and the power transistor must be equipped with a heat sink. The wire used in the inductor is 18. We found this circuit in a 2001 documentation.