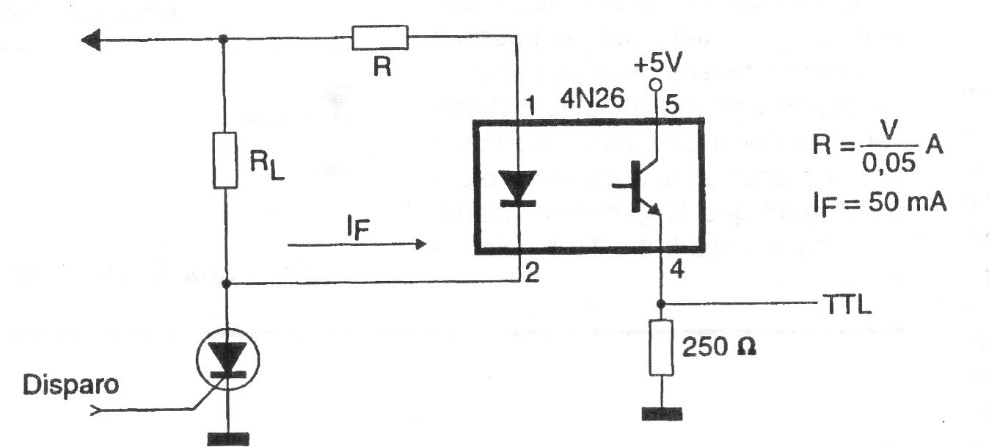
This circuit is intended to trigger a TTL door or flip-flip from a signal coming from an SCR. Resistor R is calculated according to the coupler and RL is the load current of the SCR. For a common coupler LED the current is around 50 mA. The circuit can act as a shield for microcontrollers.




