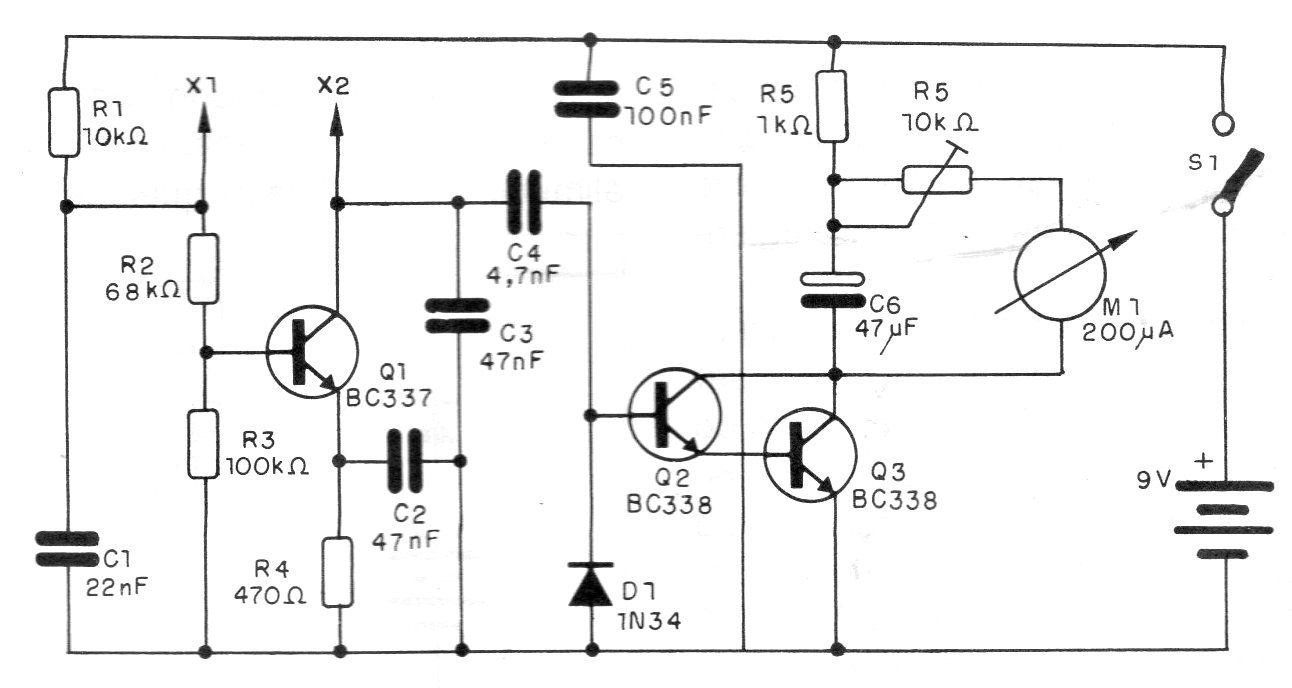
Flybacks transformers are no longer used as displays with kinescopes (CRT) have fallen out of use. However, when recovering an old device, such as a TV, it may be necessary to test this type of component. The circuit shown below has this purpose, checking if the windings are shorted.




