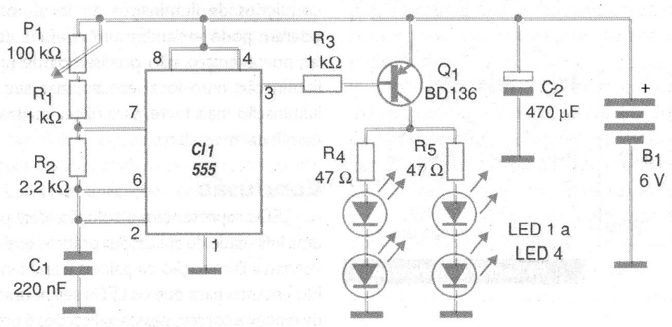
With this simple circuit we can control the brightness of a set of LEDs of any color through modulation. The adjustment is made by P1 and the supply voltage can be between 5 and 15 V. The resistor in series with the LEDs depends on the maximum current desired.




