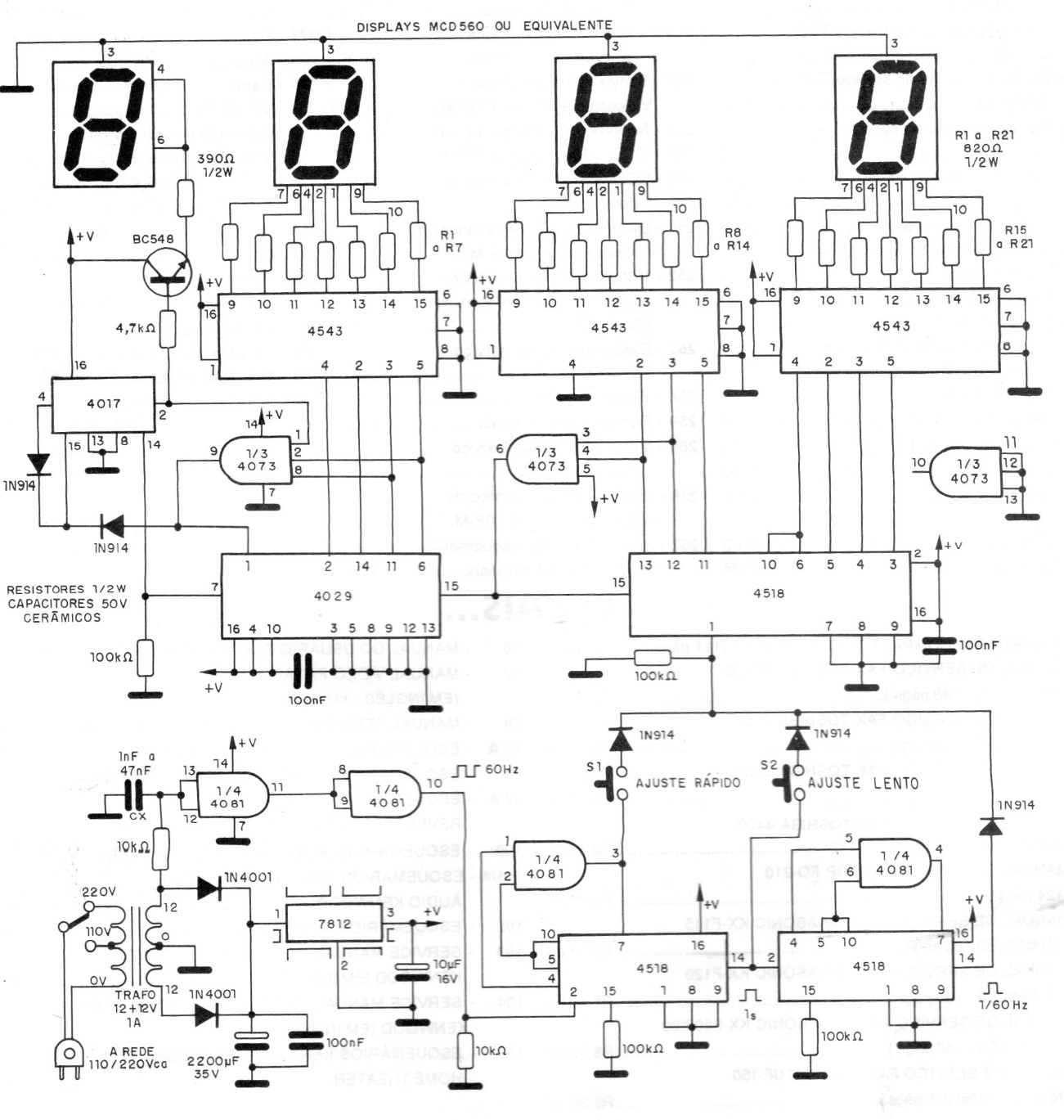
This 4-digit digital clock for hours and minutes with CMOS integrated circuits was found in a 1995 documentation. The circuit is very accurate, as it uses the frequency of the power grid as a time base. The displays are of common cathode and it has a slow, and fast adjustments for greater ease of use.




