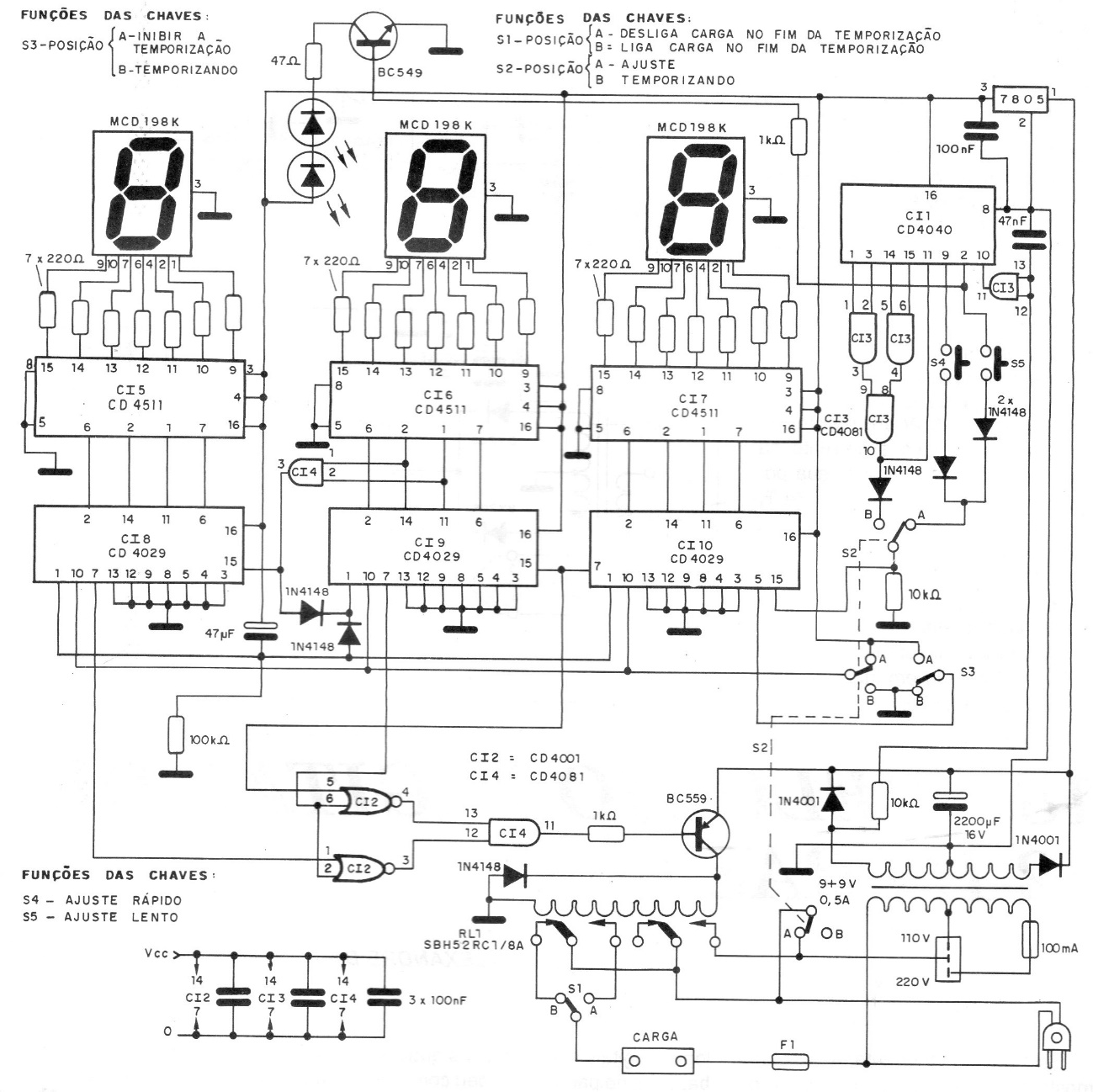
This digital timer provides timings from 1 minute to 10 hours with indication on a 3-digit display. The circuit was found in a 1995 documentation. CMOS integrated circuits are used, and the displays are of common cathode. The circuit has a slow, and fast adjustments for the programmed time.




