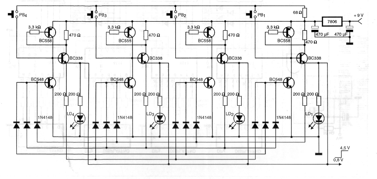
This circuit activates one of the selected circuits with a touch of a switch, keeping it activated. The circuit activates latched switches that can be loaded with drive relays. The circuit is from 1998 documentation and is powered by 6 V. The diagram of the 7806 earth-pin was missing.




