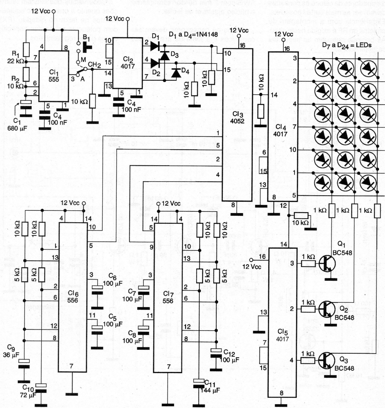
The circuit is suitable for small animations, with the movement effect of the LEDs in a matrix determined by the clock with the integrated circuit 555. This effect can have its speed modified by changing the resistor R1 of 22k for a resistor of 4 k7 in series with a 100k trimpot. The voltage regulator integrated circuit must be equipped with a heat sink. The C H2 switch changes the effect from manual to automatic. CI-6 and CI-7 also act on the frequency of the effect and the values of the components may change.




