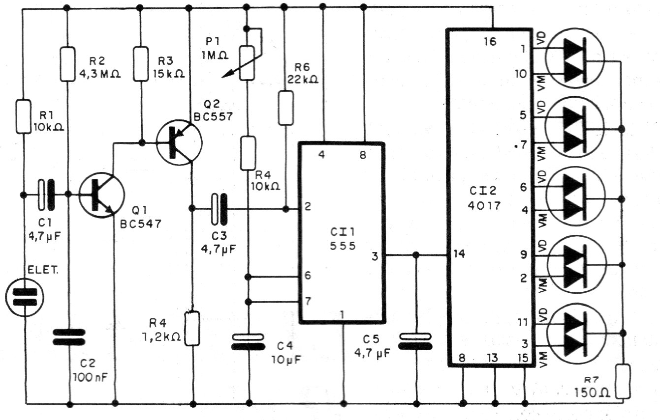
This circuit was found in a 1995 documentation. It drives a set of sequential LEDs from the sound captured by an electret microphone. The sound modulates the discharge of the LEDs in an effect that is adjusted by P1. The circuit is powered by pin 16 of 4017 and the line for the other stages with voltages from 6 to 12 V.




