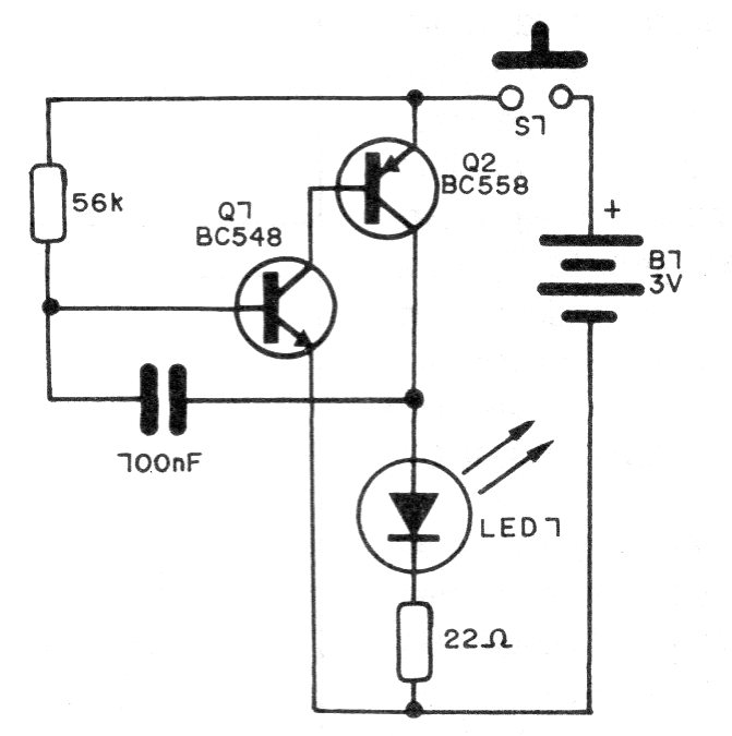
This single channel circuit can be used with one of the many receivers that we describe in this section and even in other articles on the site. For greater directivity and reach, the infrared emitting LED must be installed in a tube equipped with a lens.




