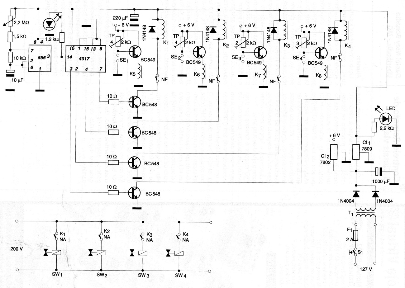
The circuits with application in agriculture are quite attractive, especially for readers who work in the sector. The presented system can be easily expanded to a larger number of channels with the connection of 4017 in series. This also allows you to make different schedules for irrigation times. Of course, it is an automation that finds applications in other sectors of activity. At home, for example, this circuit can be converted into a presence simulator and in the industry, it can be adapted to automate some type of process in a very simple way.




