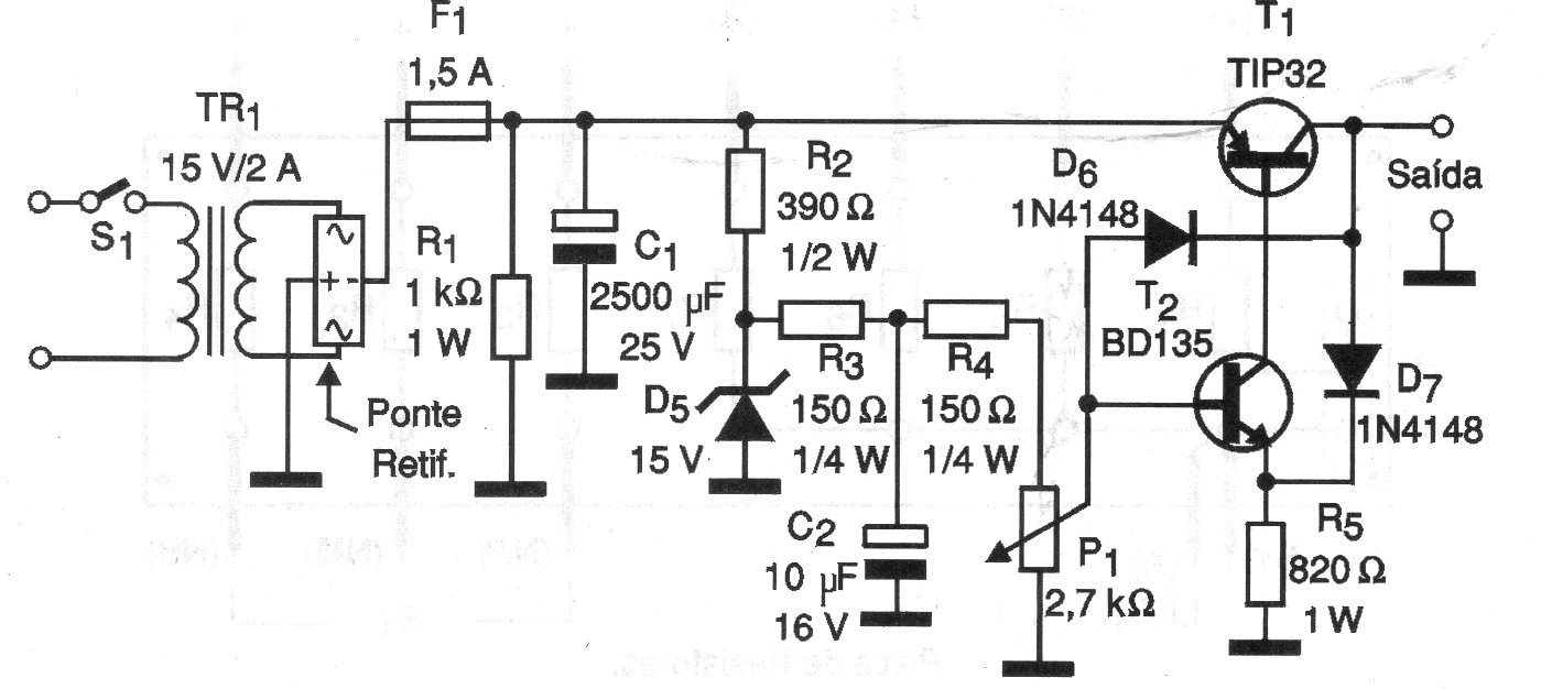
We found this circuit in a 2001 publication. This unit has short circuit protection, and the power transistor must have a good heat sink. The maximum current is of the order of 1 A and the adjustment of the output is made in P1.
We found this circuit in a 2001 publication. This unit has short circuit protection, and the power transistor must have a good heat sink. The maximum current is of the order of 1 A and the adjustment of the output is made in P1.