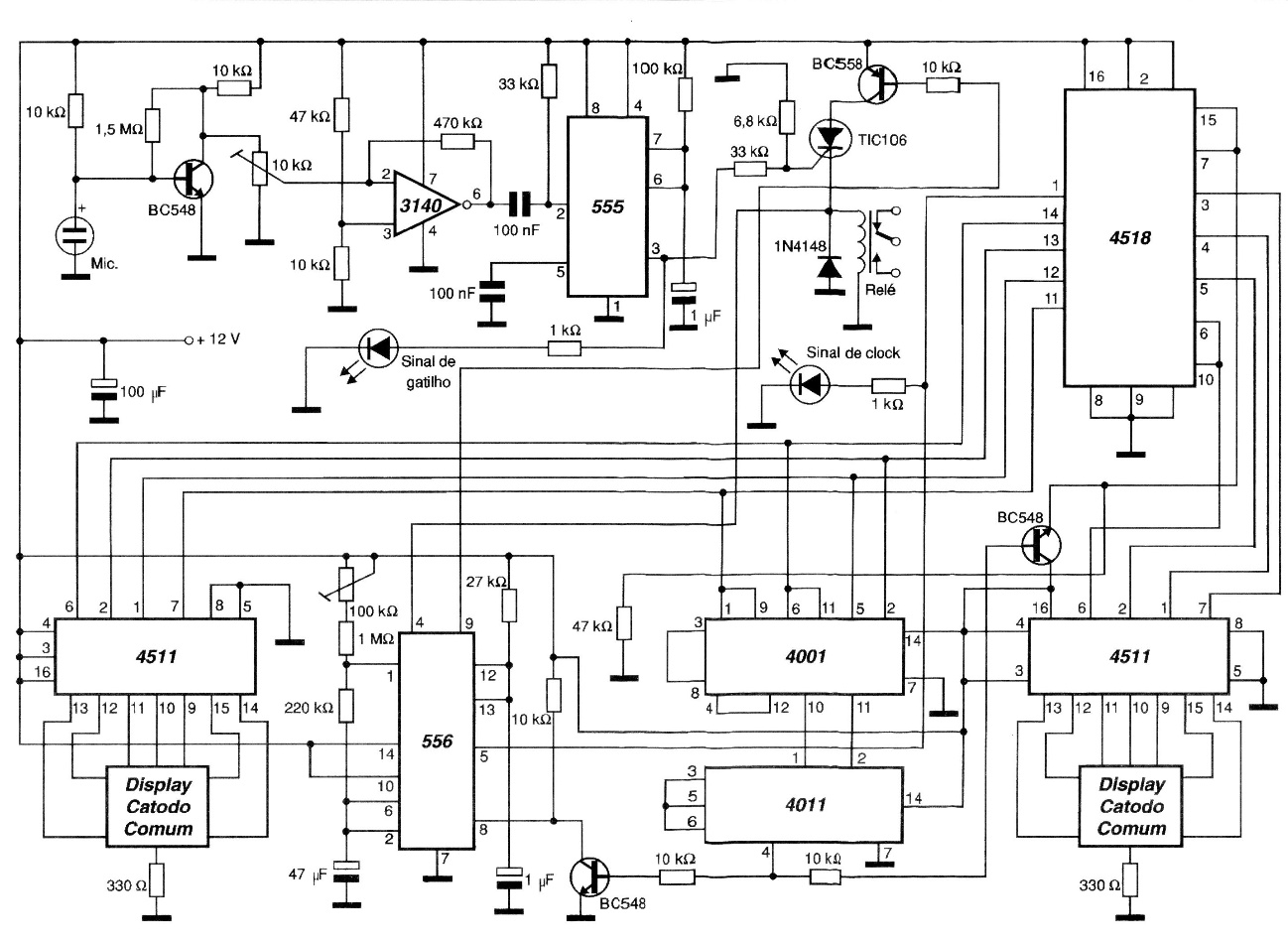
This sophisticated timed sonic switch was found in a 2001 documentation. It has a timer with a display that turns it off after 1 hour after firing. The adjustments are time and sensitivity, and the circuit must be powered by a voltage of 12 V. The microphone used is an electret.




