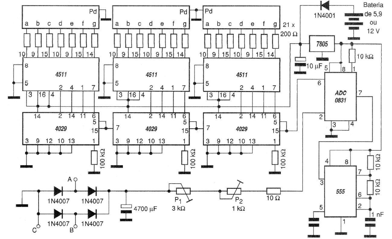
To use the instrument for AC measurement, the tips are A and B. For CC use tips A or B for positive and C for negative. This circuit can read voltages from 0 to 155 V at most. To adjust the voltmeter, take a 9 V battery and connect its terminals at points A and B by moving trimpots T1 and T2 until reading the value 009. Be careful when adjusting the circuit, because before adjusting the trimpots should be placed at the points of greatest resistance. Then, decrease your resistance until you get the indicated value. This should be done in this way, as the maximum input voltage of the ADC0831 is 5 V.




