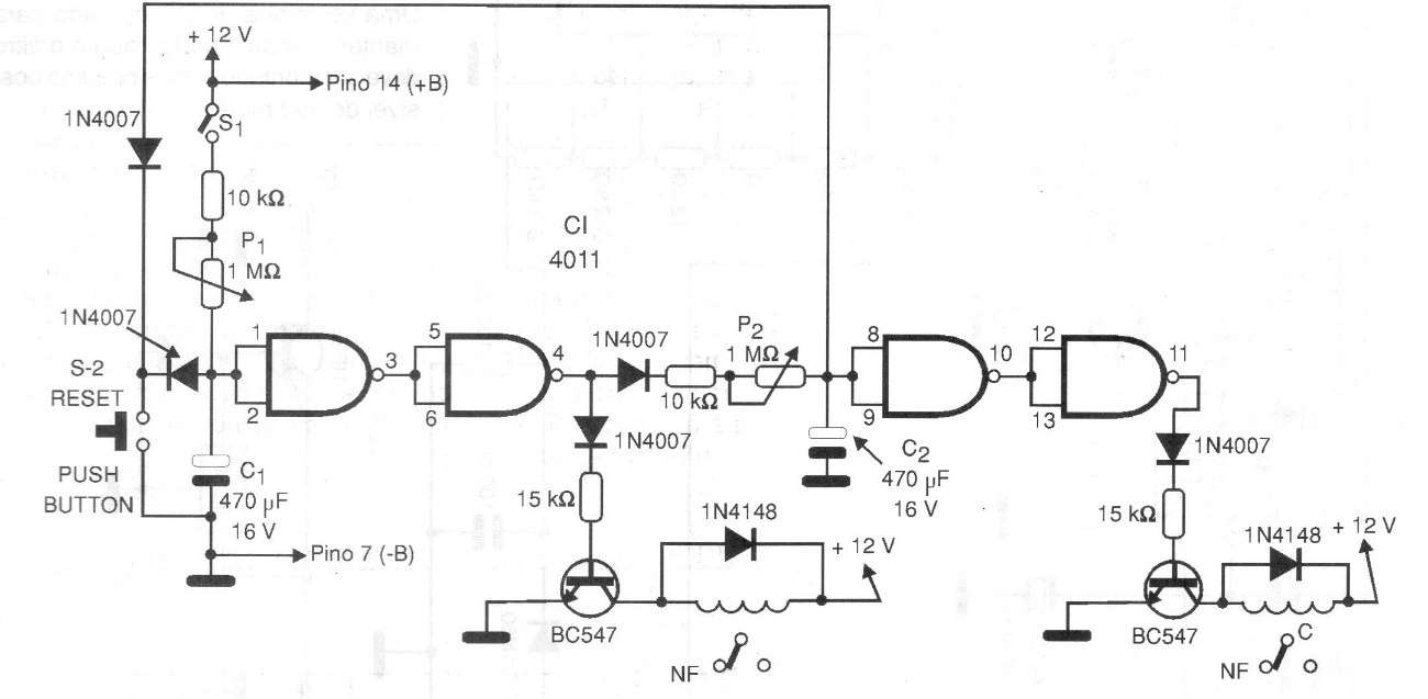
We found this timer circuit in a 1999 documentation. It triggers two relays sequentially, at programmed times. The times depend on the capacitors and the adjustment of the potentiometers. Capacitor values can be increased for longer times. The supply is 12 V, depending on the voltage of the relays.




