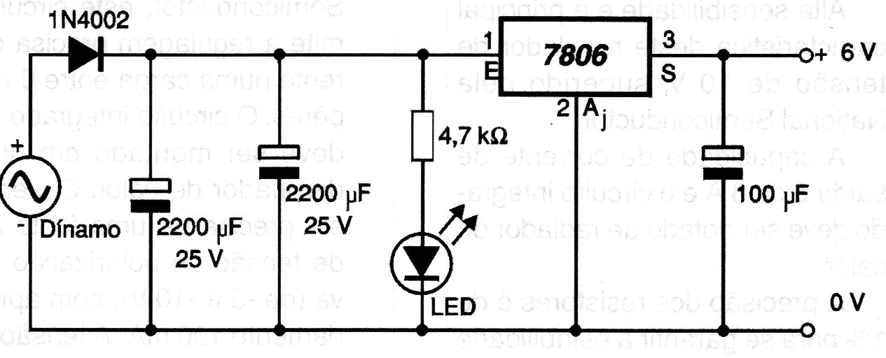
This circuit can provide a maximum load current of 1 A. The integrated circuit must have a heatsink and the capacitors of 2,200 uF can be replaced by a unit of 4,700 uF or even 10,000 uF. These values were not common at the time the project was published (2001). Other minor voltages can be obtained by changing the regulator.




