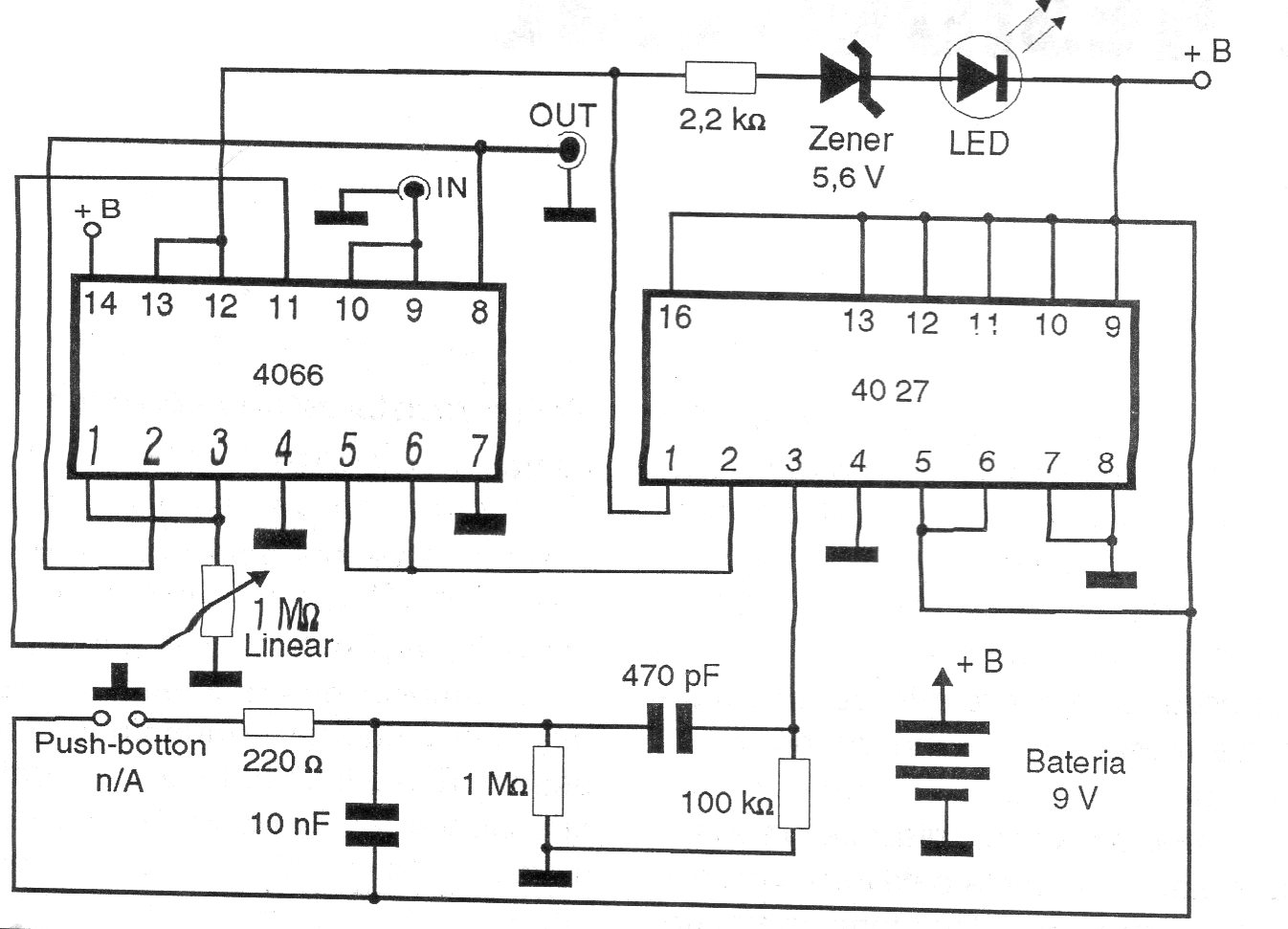
This circuit was found in a 1997 documentation but uses absolutely common components today. The circuit can be powered by a 9 V battery, as its consumption is very low. Signal input and output cables must be shielded.
This circuit was found in a 1997 documentation but uses absolutely common components today. The circuit can be powered by a 9 V battery, as its consumption is very low. Signal input and output cables must be shielded.