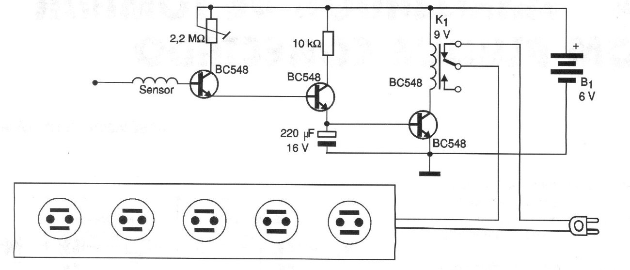
We found this circuit in a 2002 documentation. It allows you to turn off the devices connected to a set of sockets for a few seconds by touching the sensor. The sensitivity adjustment is made in the trimpot and the time depends on the capacitor.
We found this circuit in a 2002 documentation. It allows you to turn off the devices connected to a set of sockets for a few seconds by touching the sensor. The sensitivity adjustment is made in the trimpot and the time depends on the capacitor.