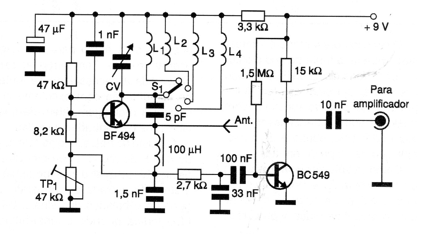
This simple super-regenerative receiver has 4 tuning bands given by the coils. L1 has 8 turns of wire 18 in the form of 1 cm without core. L2 has 5 turns, L3 has 4 turns and L4 has 2 turns. The wires from the selector switch to the circuit must be very short.




