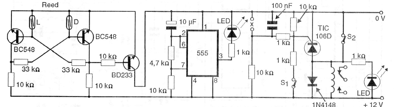
This alarm circuit was found in a 1997 publication. It uses two reed-switches to arm and disarm the system that has a functioning indicator LED. The circuit is based on an SCR that is triggered when S1 (a set of sensors) is interrupted. The supply voltage can be 6 or 12 V depending on the relay.




