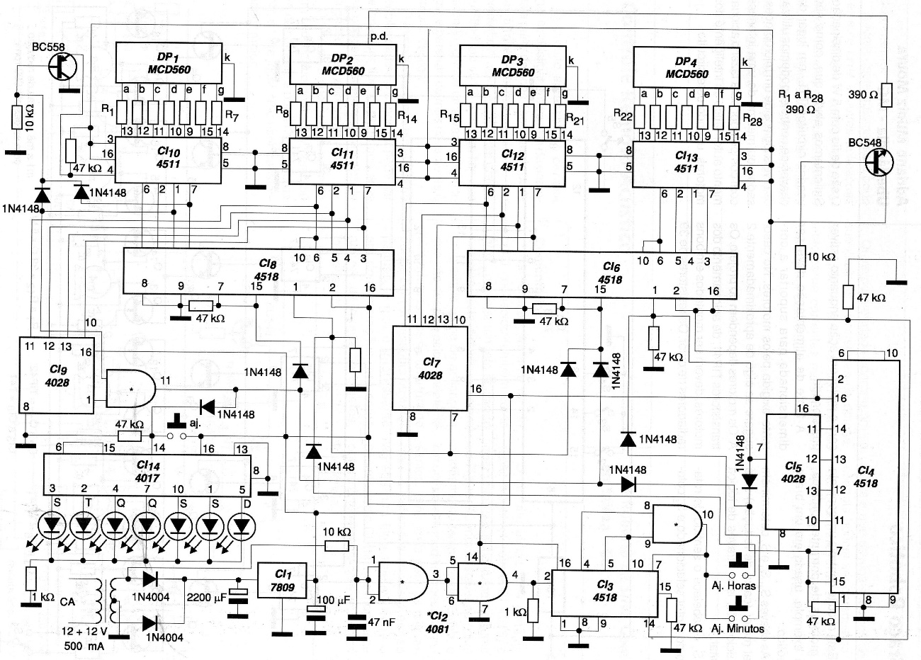
This is a type of project that is highly requested as work in technical and engineering courses for the discipline of Digital Electronics. In it, you can apply several basic concepts such as division by n, counting pulses, the operation of decoders and displays and clock circuits. The circuit shown is classic, except for some features added by the author. However, the basis remains, which can be changed, according to the needs of the readers. An important point to note in this type of project is that clocks synchronized by the network pulses tend to advance in noisy networks as they count as additional transient pulses. So, if this occurs in your project, we recommend increasing the value of the 47 uF capacitor connected to pin 2 of CI-2 to do its filtering.




