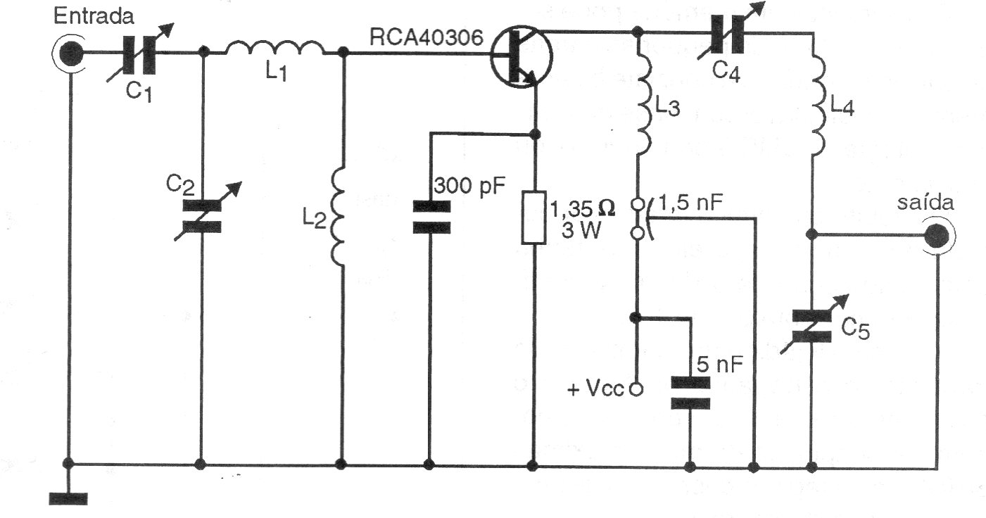
We found this circuit in a 1998 documentation. L1 has 3 turns of wire 16 in the form of 8 mm without core. L2 is a shock of 750 uH and L3 is a shock of 2.4 uH. L4 has 5 turns of wire 16 in the form of 1 cm without core. The circuit must be powered by a 28 V supply with at least 5 A. The trimmers are 6-60 pF. The transistor used is uncommon and must have a heat sink.




