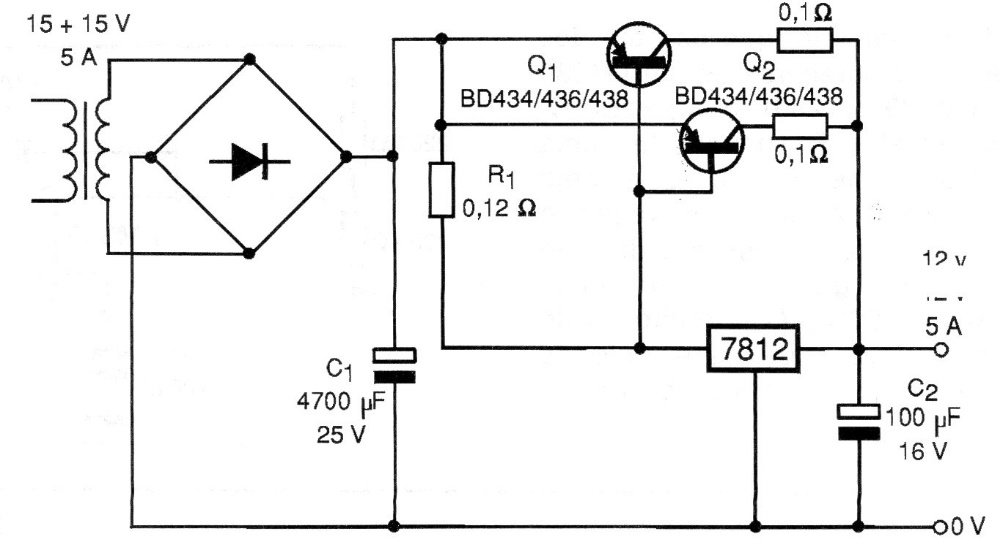
This source can supply currents up to 5 A and the transistors admit equivalents such as TIP32. The bridge must be 5 A with diodes such as 1N5404. The transistors must be mounted on good heatsinks and the 7812 on a small heatsink.
This source can supply currents up to 5 A and the transistors admit equivalents such as TIP32. The bridge must be 5 A with diodes such as 1N5404. The transistors must be mounted on good heatsinks and the 7812 on a small heatsink.