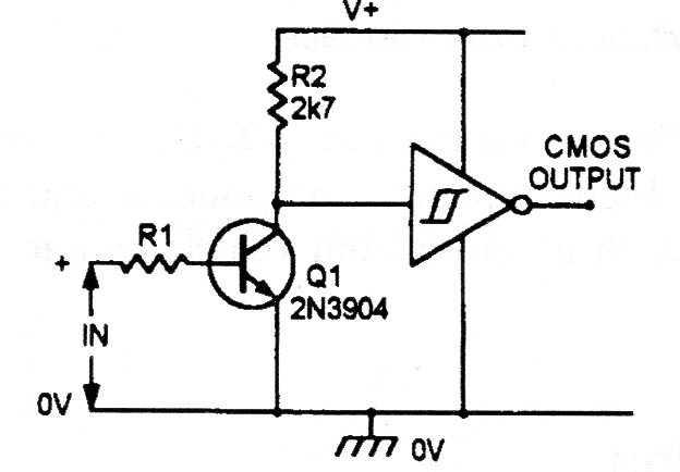
This circuit can be used to couple signal sources or low intensity transducers to microcontrollers (Shield). The supply must be 5 V for this case. For other applications, the voltage can be according to the circuit up to 12 V. The transistor can be the BC548 as well.




