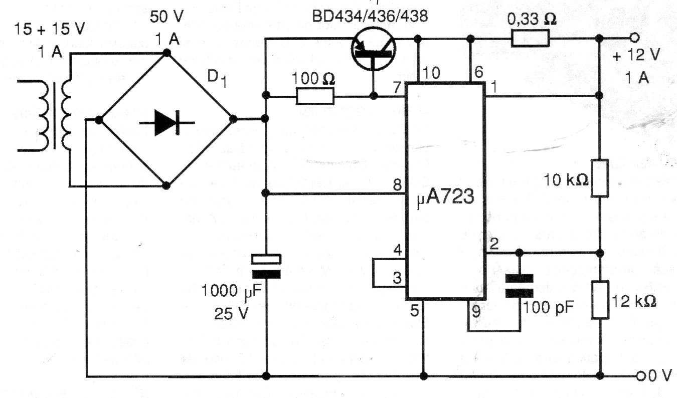
This power supply is based on the 723 integrated circuit, which is no longer very common today. The transistor must have a heatsink and the bridge can be formed by diodes 1N4002 or equivalent.
This circuit triggers an alarm when the mains power is cut off. The circuit was found in the July...
This acutely tuned circuit was found in American documentation from the 1960s. The transistors are germanium...
This small AM transmitter was found in American documentation from the 1980s. Transistor support...