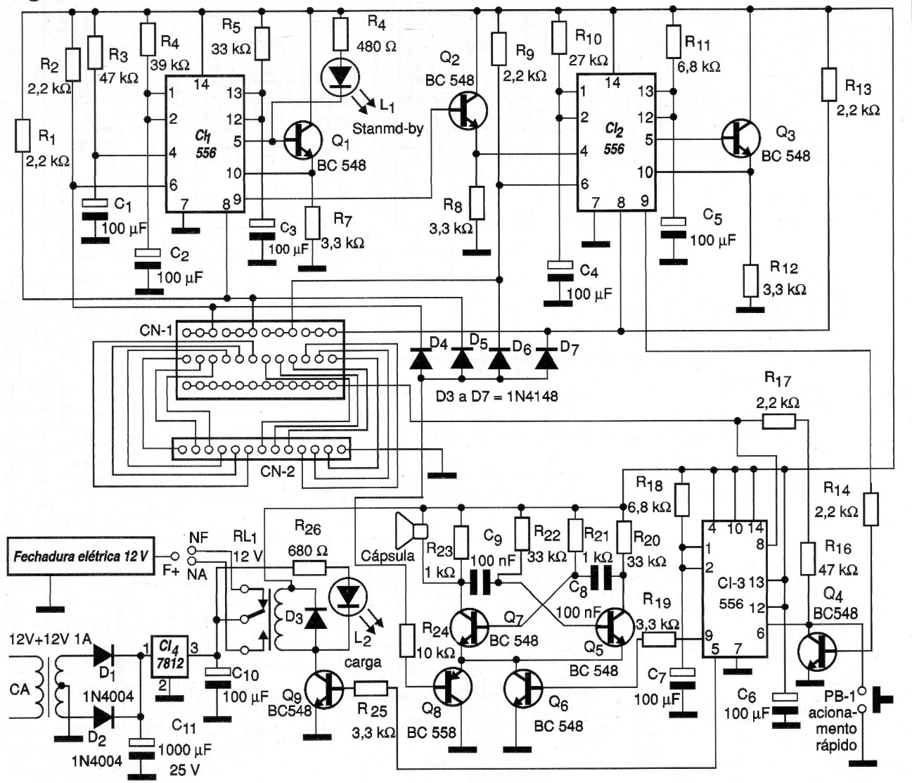
This project makes use of a technology without many digital components and that can be easily adapted for other applications that involve security. In fact, in addition to the electric lock, the system can be used to activate other devices.
This project makes use of a technology without many digital components and that can be easily adapted for other applications that involve security. In fact, in addition to the electric lock, the system can be used to activate other devices.