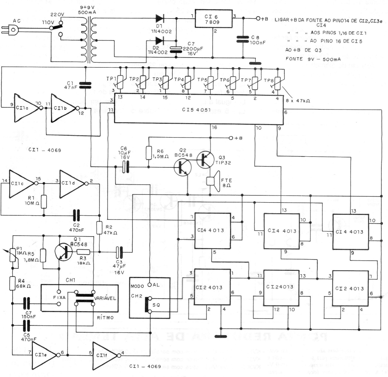
This circuit is from a 1995 documentation. Several CMOS integrated circuits are used to produce different sound effects. The circuit has its own amplifier, but C6 can be used to send the signal to the input of a powerful amplifier or mixer.
This circuit is from a 1995 documentation. Several CMOS integrated circuits are used to produce different sound effects. The circuit has its own amplifier, but C6 can be used to send the signal to the input of a powerful amplifier or mixer.