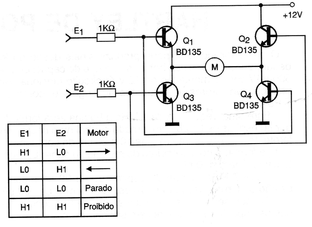
This is the traditional H bridge configuration for motors. The circuit is for currents up to 500 mA, but with higher power transistors such as the TIP31 motors up to 2 A can be controlled.
This circuit appears in other versions in this same section of the website and in other sections with...
Mouser Electronics is already providing new MOSFETs EF SIHx28N60EF of Vishay series for voltages...
We found this circuit in the October 1970 issue of Radio Electronics magazine. It uses the...