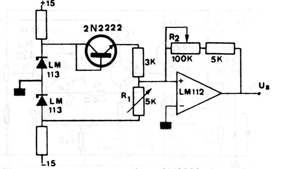
The sensors and integrated circuit used in this circuit are uncommon today. However, it is worth the configuration for the purpose of consultation.
We found this circuit, which appears with variations on this site, in a European documentation from the...
This circuit that drives an electromechanical counter of the time was found in Radio Electronics magazine...
Found in a Hands On Electronics of the 80s, this circuit makes use of a gas sensor of the time....