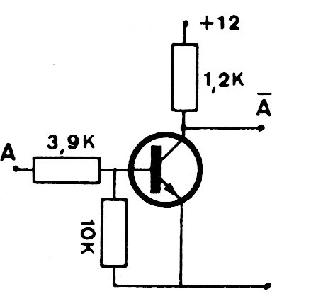
This inverter circuit can be used as a shield by changing the supply voltage or maintaining it according to the application. The transistor can be any general purpose.

This inverter circuit can be used as a shield by changing the supply voltage or maintaining it according to the application. The transistor can be any general purpose.
