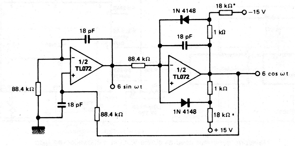
This circuit generates quadrature signals in frequency that depend on the 18 pF capacitors. These components can have their values changed, according to the desired frequency and equivalent operational amplifiers can be used.
This circuit generates quadrature signals in frequency that depend on the 18 pF capacitors. These components can have their values changed, according to the desired frequency and equivalent operational amplifiers can be used.