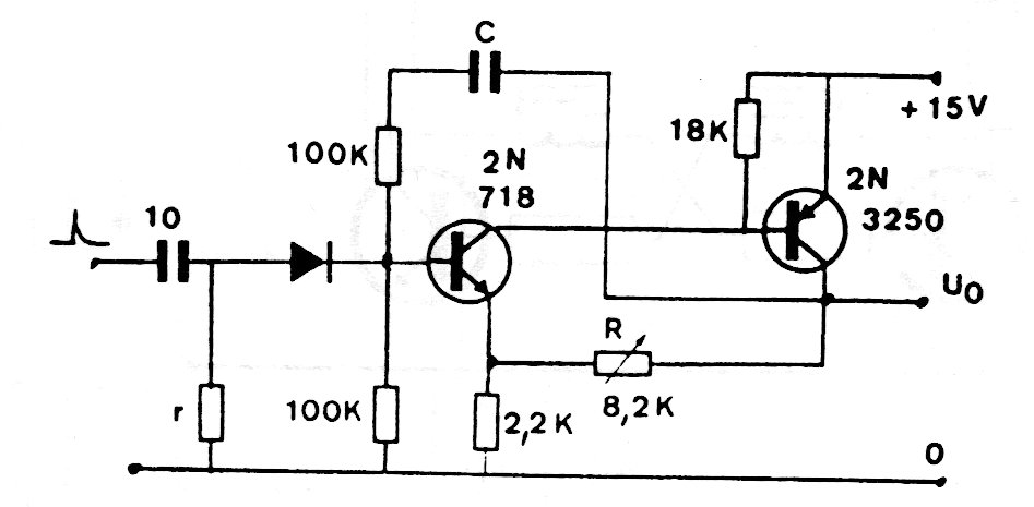
Equivalent transistors, like the BC548 and BC558 pair can be used in this circuit that we find in an old European documentation. The action time of the circuit depends on capacitor C and the supply must be done with 15 V; R sets the trigger point.
Equivalent transistors, like the BC548 and BC558 pair can be used in this circuit that we find in an old European documentation. The action time of the circuit depends on capacitor C and the supply must be done with 15 V; R sets the trigger point.