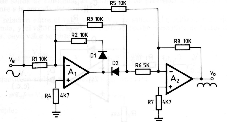
This circuit uses two operational amplifiers, which can be of the type 741, in a full wave rectifier normally used in instrumentation. The circuit requires a symmetrical source, and the diodes can be general-purpose types. Observe the waveform of the input and output signals.




