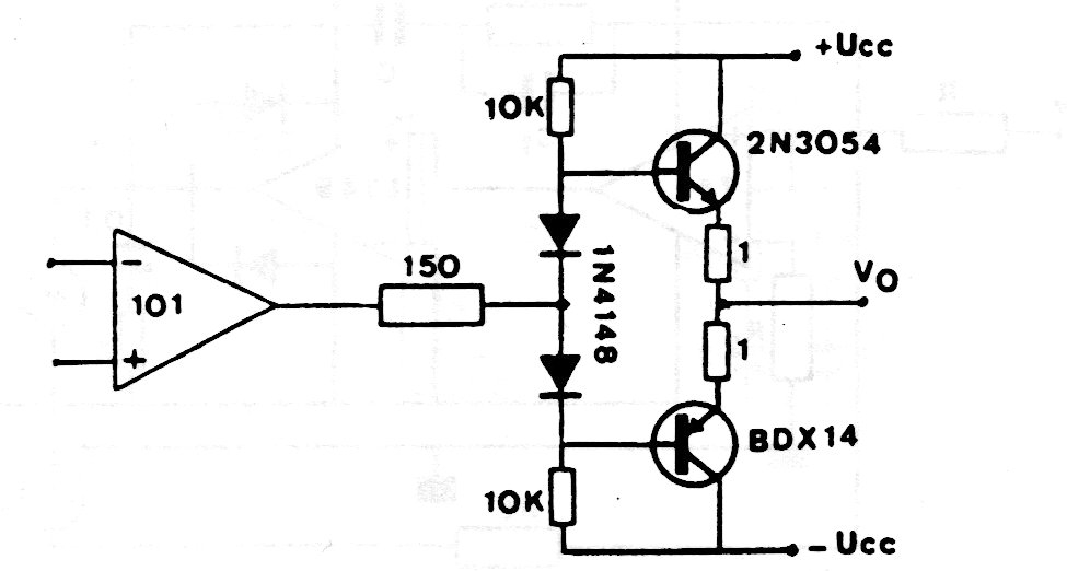
Higher power for an operational amplifier can be obtained with a step with complementary output. The transistors can also be the BD135 and BD136 for a more current application, and the circuit is valid for other operational ones.
Higher power for an operational amplifier can be obtained with a step with complementary output. The transistors can also be the BD135 and BD136 for a more current application, and the circuit is valid for other operational ones.