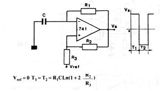
This circuit that generates rectangular signals, can also be implemented with other operational ones. The formula for calculating the components is given next to the diagram.

This circuit that generates rectangular signals, can also be implemented with other operational ones. The formula for calculating the components is given next to the diagram.
