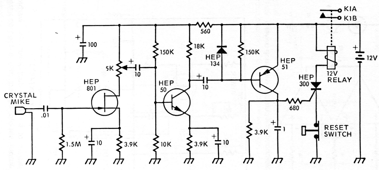
This sensitive sound or noise activated key can be used in an alarm system. The circuit is from an old documentation (1975) and the semiconductors must be replaced by modern types. The FET can be the BF245 and the transistors the pair BC548 and BC548.




