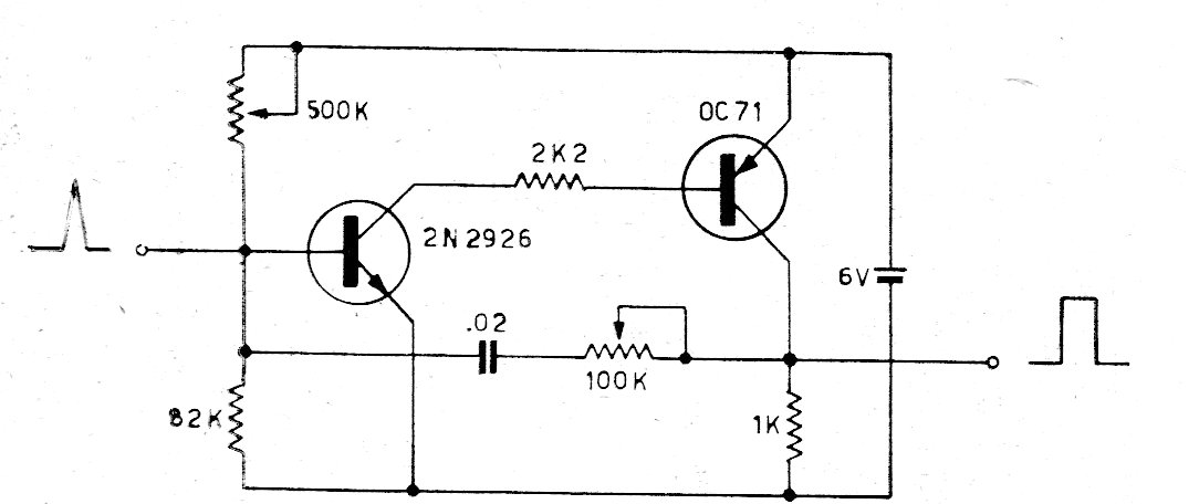
This circuit from a 1967 publication turns a short pulse into a square signal whose duration depends on the capacitor and can be adjusted in the trimpot. The circuit can use modern equivalent transistors like the BC548 and BC558.
This circuit from a 1967 publication turns a short pulse into a square signal whose duration depends on the capacitor and can be adjusted in the trimpot. The circuit can use modern equivalent transistors like the BC548 and BC558.