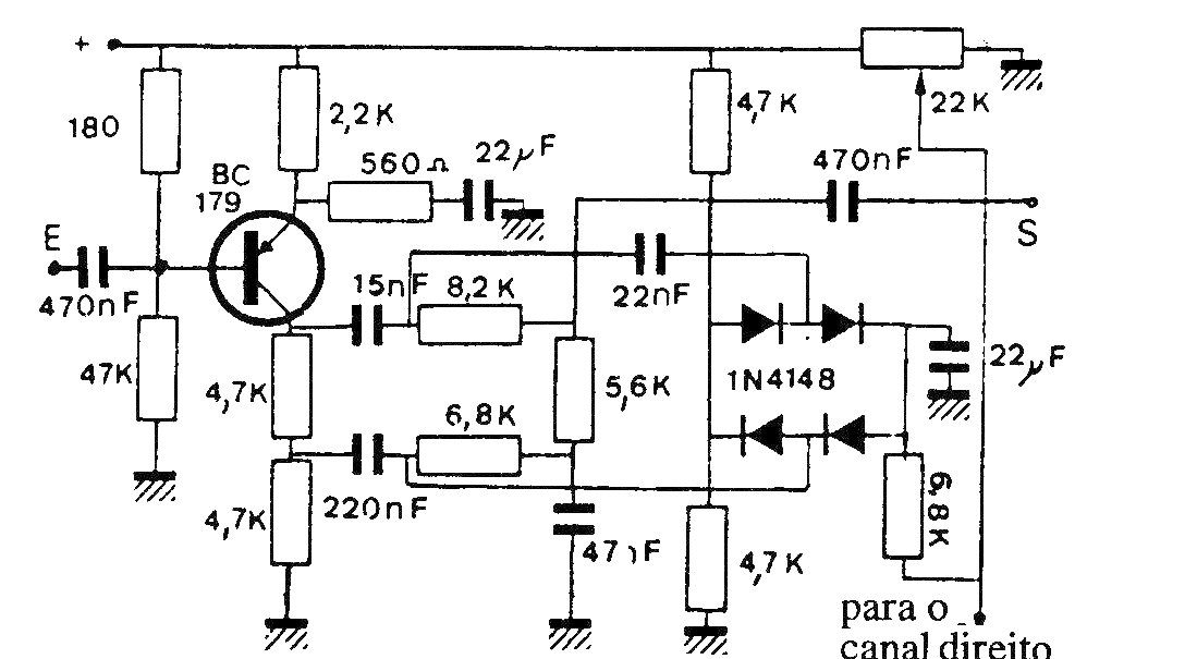
The difference in this circuit, found in documentation from the 90s, is the use of a single potentiometer for the control of bass and treble. The pot acts as a kind of balance. The transistor can be the BC549 and the 12 to 15 V supply can come from the amplifier itself.




