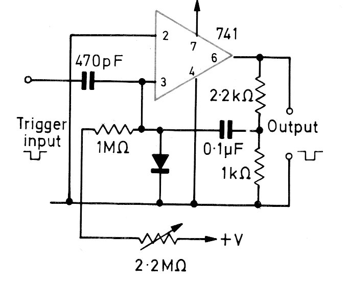
This basic operating configuration applies to types other than 741. The circuit does not require a symmetrical source and the time the output remains at the high level depends on the capacitor. The circuit was found in an old European documentation. The positive supply can be made with voltages from 6 to 12 V.




