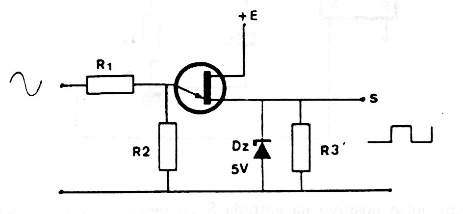
We found this circuit in a component manual from the 80s. R1 has values between 1k and 10k. R1 has values between 2.2k and 22k. R3 typically has values between 10 ohms and 1 k. The unijunction transistor can be 2N2646 and the supply is made with voltages from 6 to 15 V.




