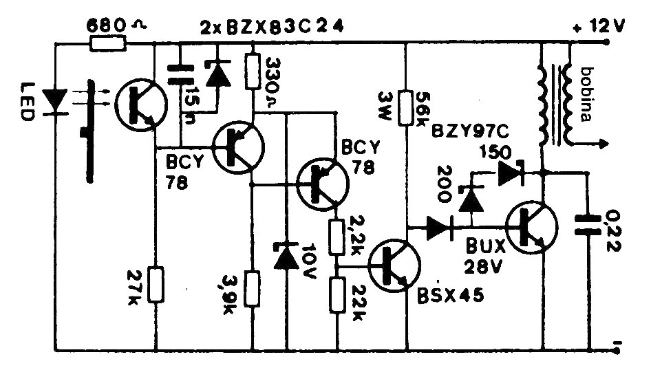
This circuit was found in documentation from the 1980s. The control pulses are obtained by an optical system with an emitting LED and a phototransistor. The components used admit modern equivalents.
This circuit was found in documentation from the 1980s. The control pulses are obtained by an optical system with an emitting LED and a phototransistor. The components used admit modern equivalents.