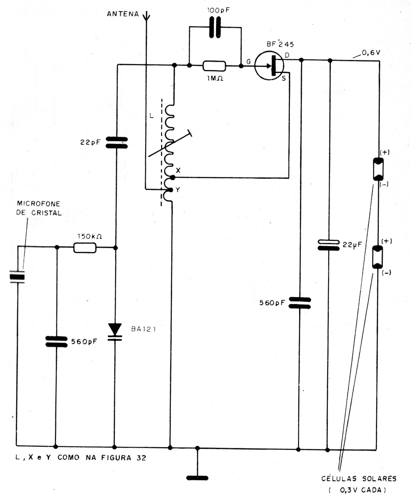
This' 90s circuit emits a signal in the FM band with a few tens of meters in range. The coil is the same as the previous circuit (CB19440E) and the supply can be done with two to four solar cells in series.
This' 90s circuit emits a signal in the FM band with a few tens of meters in range. The coil is the same as the previous circuit (CB19440E) and the supply can be done with two to four solar cells in series.