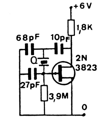
This configuration reaches a few tens of megahertz depending on the crystal and the FET. Capacitors must be ceramic. The FET admits equivalents.

This configuration reaches a few tens of megahertz depending on the crystal and the FET. Capacitors must be ceramic. The FET admits equivalents.
