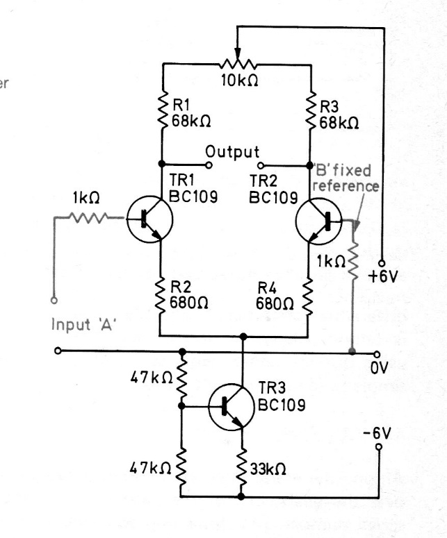
The transistors on this circuit can be the BC548. The circuit is from English documentation from the 70s and can be used for didactic or experimental purposes. The circuit must be powered by a symmetrical source of 6 to 12 V.
The transistors on this circuit can be the BC548. The circuit is from English documentation from the 70s and can be used for didactic or experimental purposes. The circuit must be powered by a symmetrical source of 6 to 12 V.