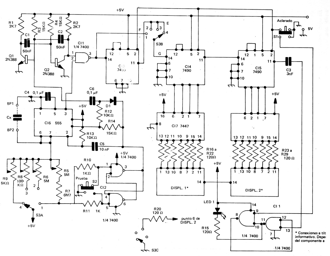
This circuit can be found on this website in similar versions. The power supply is given in CIR1313. The circuit is two digits and measures capacitances in 4 ranges of values from 100 pF to 1 000 uF. Accuracy depends on the settings and the accuracy of the components.




