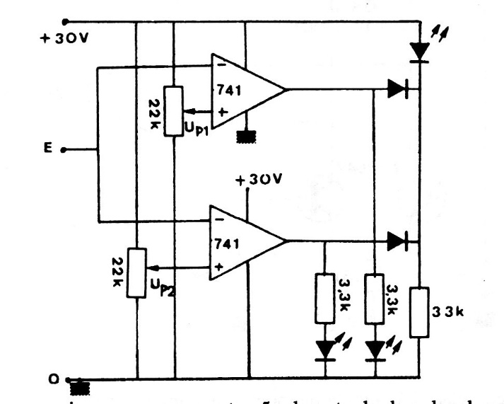
This tri-state comparator was found in a circuit manual from the 1980s, but it can be easily implemented today, including using more modern operators. The values of the compared voltages are adjusted in the input trimpots and the indication is given by LEDs.




