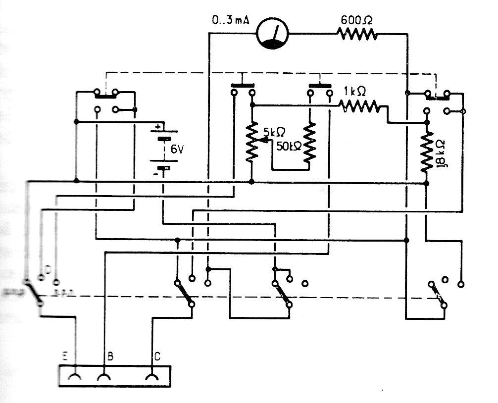
This circuit was obtained in a French documentation from 1981 and can be easily assembled. The analog instrument itself can be replaced by the current scale of an ordinary multimeter.
This circuit was obtained in a magazine Hands-On Electronics of June 1987. It is a circuit that...
The purpose of this circuit found in an old Elektor is to light a lower power lamp when the bigger...
Found in a 90s Popular Electronics, this circuit uses two PLL tone recognizers to trigger by touch an...