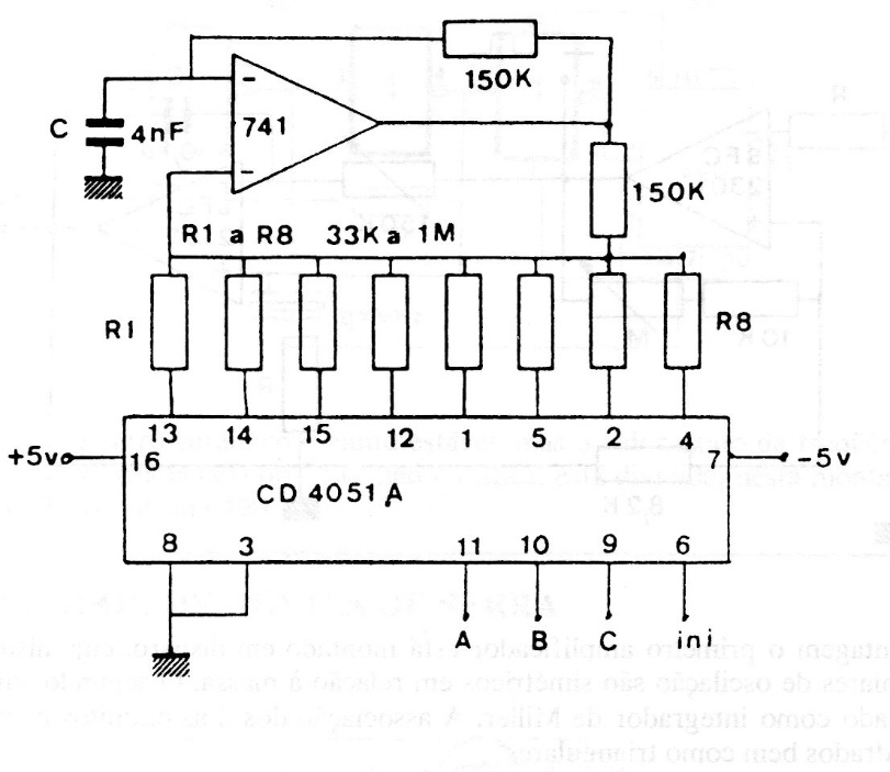
The frequency of this CMOS oscillator depends on the capacitor C and the 4051 output that goes to the high level. This output is determined by the commands on digital inputs A, B, C and D. The operational must have symmetrical power and the maximum frequency is limited to a few hundred kilohertz.




