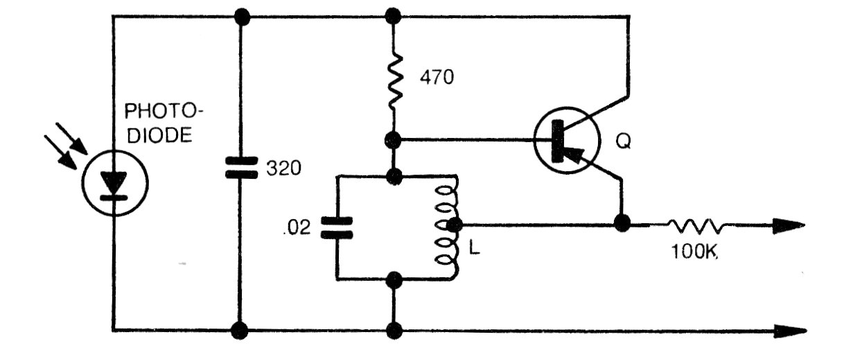
This circuit from an American documentation from the 70s, indicates a photodiode to generate energy from light. Small cells like those used in calculators will provide better results and the frequency depends on the coil and capacitor in parallel with it.




