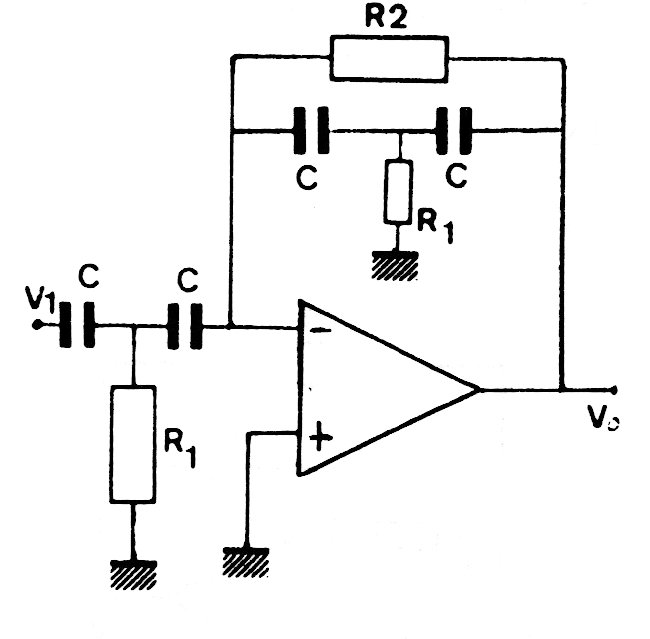
The components of this filter are calculated using conventional formulas (see mathematics section of the website) and it can be implemented with almost any operational amplifier. The power supply must be symmetrical.
The components of this filter are calculated using conventional formulas (see mathematics section of the website) and it can be implemented with almost any operational amplifier. The power supply must be symmetrical.